[Digital logo]
[HR]

Guidelines for OpenVMS Cluster Configurations


Previous | Contents
Part Description
1 Two LAN interconnects.


| [Home] | [Comments] | [Ordering info] | [Help]

[HR]

  6318P005.HTM
  OSSG Documentation
  26-NOV-1996 11:20:17.25

Copyright © Digital Equipment Corporation 1996. All Rights Reserved.

Legal

Rationale: The additional use of LAN interconnects is required for DECnet--Plus communication. Having two LAN interconnects---Ethernet or FDDI---increases redundancy. For higher network capacity, use FDDI instead of Ethernet.

2 Two to 16 CI capable OpenVMS nodes.

Rationale: Three nodes are recommended to maintain quorum. A CI interconnect can support a maximum of 16 OpenVMS nodes. With a CI-to-PCI (CIPCA) adapter, Alpha nodes that have a combination of PCI and EISA buses can be connected to the CI. Alpha nodes with XMI buses can use the CIXCD adapter to connect to the CI.

Reference: For more extensive information about the CIPCA, see Appendix C.

Alternative: Two-node configurations require a quorum disk to maintain quorum if a node fails.

3 Two CI interconnects with two star couplers.

Rationale: Use two star couplers to allow for redundant connections to each node.

4 Critical disks are dual-ported between HSJ or HSC controllers.

Rationale: Connect each disk to two controllers for redundancy. Shadow and dual port system disks between HSJ or HSC controllers. Periodically alternate the primary path of dual-ported disks to test hardware.

5 Data disks.

Rationale: Single port nonessential data disks, for which the redundancy provided by dual porting is unnecessary.

6 Essential data disks are shadowed across controllers.

Rationale: Shadow essential disks and place shadow set members on different HSCs to eliminate a single point of failure.

6.8.2 Advantages

This configuration offers the following advantages:

6.8.3 Disadvantages

This configuration has the following disadvantage:

6.8.4 Key Availability Strategies

The configuration in Figure 6-5 incorporates the following strategies, which are critical to its success:

6.9 Availability in a MEMORY CHANNEL OpenVMS Cluster

Figure 6-6 shows a highly available MEMORY CHANNEL (MC) cluster configuration. Figure 6-6 is followed by an analysis of the configuration that includes:

Figure 6-6 MEMORY CHANNEL Cluster



6.9.1 Components

The MEMORY CHANNEL configuration shown in Figure 6-6 has the following components:
Part Description
1 Two MEMORY CHANNEL hubs.

Rationale: Having two hubs and multiple connections to the nodes prevents having a single point of failure.

2 Three to four MEMORY CHANNEL nodes.

Rationale: Three nodes are recommended to maintain quorum. A MEMORY CHANNEL interconnect can support a maximum of four OpenVMS Alpha nodes.

Alternative: Two-node configurations require a quorum disk to maintain quorum if a node fails.

3 Fast-wide differential (FWD) SCSI bus.

Rationale: Use a FWD SCSI bus to enhance data transfer rates (20 million transfers per second) and because it supports up to two HSZ controllers.

4 Two HSZ controllers.

Rationale: Two HSZ controllers ensure redundancy in case one of the controllers fails. With two controllers, you can connect two single-ended SCSI buses and more storage.

5 Essential system disks and data disks.

Rationale: Shadow essential disks and place shadow set members on different SCSI buses to eliminate a single point of failure.

6.9.2 Advantages

This configuration offers the following advantages:

6.9.3 Disadvantages

This configuration has the following disadvantage:

6.9.4 Key Availability Strategies

The configuration in Figure 6-6 incorporates the following strategies, which are critical to its success:

6.10 Availability in an OpenVMS Cluster with Satellites

Satellites are systems that do not have direct access to a system disk and other OpenVMS Cluster storage. Satellites are usually workstations, but they can be any OpenVMS Cluster node that is served storage by other nodes in the cluster.

Because satellite nodes are highly dependent on server nodes for availability, the sample configurations presented earlier in this chapter do not include satellite nodes. However, because satellite/server configurations provide important advantages, you may decide to trade off some availability to include satellite nodes in your configuration.

Figure 6-7 shows an optimal configuration for a OpenVMS Cluster system with satellites. Figure 6-7 is followed by an analysis of the configuration that includes:

The base configurations in Figure 6-4 and Figure 6-5 could replace the base configuration shown in Figure 6-7. In other words, the FDDI and satallite segments shown in Figure 6-7 could just as easily be attached to the configurations shown in Figure 6-4 and Figure 6-5.

Figure 6-7 OpenVMS Cluster with Satellites



6.10.1 Components

This satellite/server configuration in Figure 6-7 has the following components:
Part Description
1 Base configuration.

The base configuration performs server functions for satellites.

2 Three to 16 OpenVMS server nodes.

Rationale: At least three nodes are recommended to maintain quorum. More than 16 nodes introduces excessive complexity.

3 FDDI ring between base server nodes and satellites.

Rationale: The FDDI ring has increased network capacity over Ethernet, which is slower.

Alternative: Use two Ethernet segments instead of the FDDI ring.

4 Two Ethernet segments from the FDDI ring to attach each critical satellite with two Ethernet adapters. Each of these critical satellites has its own system disk.

Rationale: Having their own boot disks increases the availability of the critical satellites.

5 For noncritical satellites, place a boot server on the Ethernet segment.

Rationale: Noncritical satellites do not need their own boot disks.

6 Limit the satellites to 15 per segment.

Rationale: More than 15 satellites on a segment may cause I/O congestion.

6.10.2 Advantages

This configuration provides the following advantages:

6.10.3 Disadvantages

This configuration has the following disadvantages:

6.10.4 Key Availability Strategies

The configuration in Figure 6-7 incorporates the following strategies, which are critical to its success:

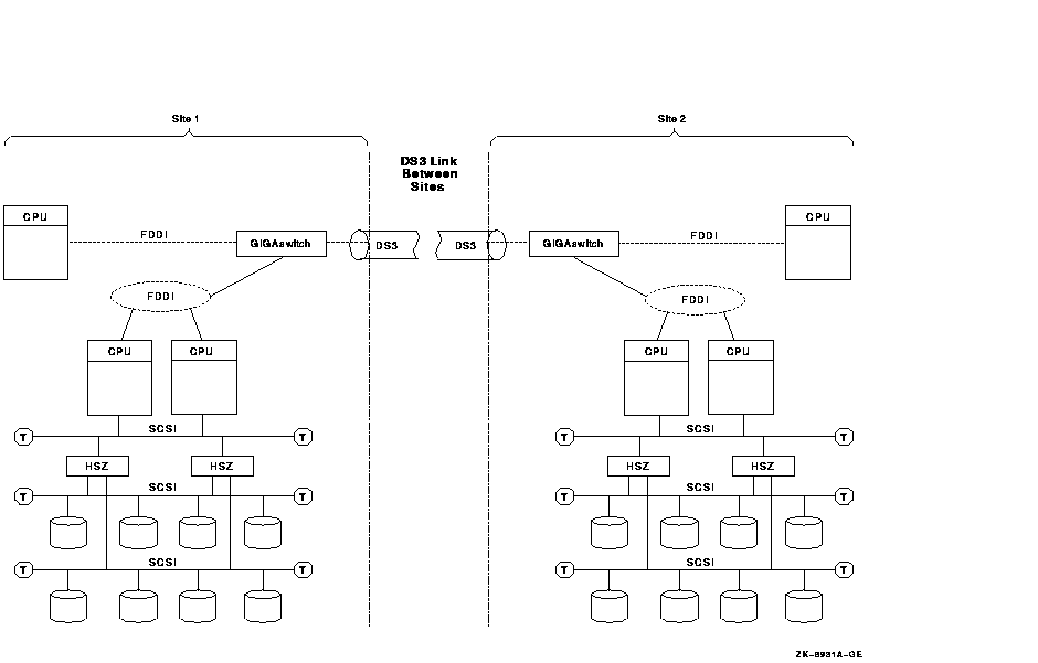
6.11 Multiple-Site OpenVMS Cluster System

Multiple-site OpenVMS Cluster configurations contain nodes that are located at geographically separated sites. Depending on the technology used, the distances between sites can be as great as 150 miles. FDDI, asynchronous transfer mode (ATM), and DS3 are used to connect these separated sites to form one large cluster. Available from most common telephone service carriers, DS3 and ATM services provide long-distance, point-to-point communications for multiple-site clusters.

Figure 6-8 shows a typical configuration for a multiple-site OpenVMS Cluster system. Figure 6-8 is followed by an analysis of the configuration that includes:

Figure 6-8 Multiple-Site OpenVMS Cluster Configuration Connected by DS3



6.11.1 Components

Although Figure 6-8 does not show all possible configuration combinations, a multiple-site OpenVMS Cluster can include:

6.11.2 Advantages

The benefits of a multiple-site OpenVMS Cluster system include the following:

Reference: For additional information about multiple-site clusters, see OpenVMS Cluster Systems.

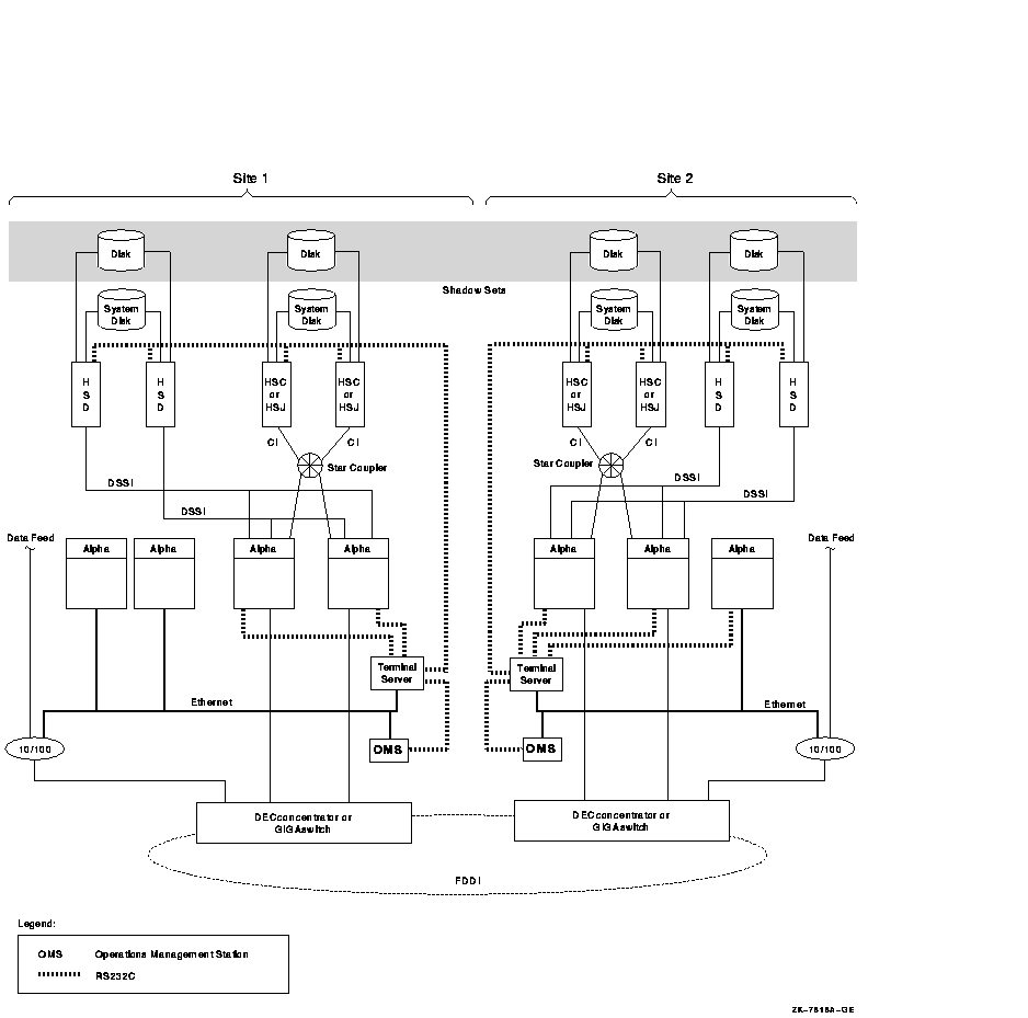
6.12 Disaster-Tolerant BRS System

The Business Recovery Server (BRS) is a disaster-tolerant, system integration product for clusters with mission critical applications. BRS enables systems at two different geographic sites to be combined into a single, manageable OpenVMS Cluster system. Like the multiple-site cluster discussed in the previous section, these physically separate data centers are connected by FDDI or by a combination of FDDI and ATM or T3. When configured with FDDI, a BRS cluster can span up to 25 miles; with FDDI and ATM or T3, it can span up to 500 miles.

BRS clusters have all of the power of regular clusters (such as multiple-site clusters) as well as the following additional features:

BRS cluster configurations can be large and highly complex. Within each data center, the interconnects among systems can be CI, DSSI, Ethernet, FDDI/ATM, or a combination of these. RS232 can also be used to connect communication devices to terminals or host consoles.

Each of the two sites in a BRS cluster can have one or more OMS nodes, which provide site-independent management and control. The OMS software is unique to BRS and plays a central role in cluster management and disaster recovery.

Figure 6-9 shows a typical configuration for a disaster-tolerant OpenVMS Cluster system. Figure 6-9 is followed by an analysis of the configuration that includes:

Figure 6-9 Disaster-Tolerant BRS System



6.12.1 Components

A Business Recovery Server can include:

Reference: For additional configuration information, see Planning and Configuring the Business Recovery Server.

6.12.2 Advantages

Most disaster recovery techniques are application dependent and can be expensive to implement and maintain. The disaster-tolerant OpenVMS Cluster system is not application dependent. By making the recovery process intrinsic to the system's implementation, the disaster recovery plan is in continuous operation.

To achieve a short recovery period, physical data center independence is crucial. The Business Recovery Server package provides the only reliable way to achieve this independence. Through the combination of software and service, Business Recovery Server offers data center independence in four areas:

Site-independent system management is provided by the deployment of two OMS nodes, each serving as backup for the other.


Chapter 7
Configuring an OpenVMS Cluster for Scalability

This chapter explains how to maximize scalability in many different kinds of OpenVMS Clusters.

7.1 What Is Scalability?

Scalability is the ability to expand an OpenVMS Cluster system in any system, storage, and interconnect dimension and at the same time fully use the initial configuration equipment. Your OpenVMS Cluster system can grow in many dimensions, as shown in Figure 7-1. Each dimension also enables your applications to expand.

Figure 7-1 OpenVMS Cluster Growth Dimensions



7.1.1 Scalable Dimensions

Table 7-1 describes the growth dimensions for systems, storage, and interconnects in OpenVMS Clusters.

Table 7-1 Scalable Dimensions in OpenVMS Clusters
This Dimension Grows by...
Systems
CPU Implementing SMP within a system.
Adding systems to a cluster.
Accommodating various processor sizes in a cluster.
Adding a bigger system to a cluster.
Migrating from VAX to Alpha systems.
Memory Adding memory to a system.
I/O Adding interconnects and adapters to a system.
Adding MEMORY CHANNEL to a cluster to offload the I/O interconnect.
OpenVMS Tuning system parameters.
Moving to OpenVMS Alpha.
Adapter Adding storage adapters to a system.
Adding CI and DSSI adapters to a system.
Adding LAN adapters to a system.
Storage
Media Adding disks to a cluster.
Adding tapes and CD-ROMs to a cluster.
Volume shadowing Increasing availability by shadowing disks.
Shadowing disks across controllers.
Shadowing disks across systems.
I/O Adding solid-state or DECram disks to a cluster.
Adding disks and controllers with caches to a cluster.
Adding RAID disks to a cluster.
Controller and array Moving disks and tapes from systems to controllers.
Combining disks and tapes in arrays.
Adding more controllers and arrays to a cluster.
Interconnect
LAN Adding Ethernet and FDDI segments.
Upgrading from Ethernet to FDDI.
Adding redundant segments and bridging segments.
CI, DSSI, SCSI, and MEMORY CHANNEL Adding CI, DSSI, SCSI, and MEMORY CHANNEL interconnects to a cluster or adding redundant interconnects to a cluster.
I/O Adding faster interconnects for capacity.
Adding redundant interconnects for capacity and availability.
Distance Expanding a cluster inside a room or a building.
Expanding a cluster across a town or several buildings.
Expanding a cluster between two sites (spanning 40 km).

The ability to add to the components listed in Table 7-1 in any way that you choose is an important feature that OpenVMS Clusters provide. You can add hardware and software in a wide variety of combinations by carefully following the suggestions and guidelines offered in this chapter and in the products' documentation and Digital Systems and Options Catalog. When you choose to expand your OpenVMS Cluster in a specific dimension, be aware of the advantages and tradeoffs with regard to the other dimensions. Table 7-2 describes strategies that promote OpenVMS Cluster scalability. Understanding these scalability strategies can help you maintain a higher level of performance and availability as your OpenVMS Cluster grows.

7.2 Strategies for Configuring a Highly Scalable OpenVMS Cluster

The hardware that you choose and the way that you configure it has a significant impact on the scalability of your OpenVMS Cluster. This section presents strategies for designing an OpenVMS Cluster configuration that promotes scalability.

7.2.1 Scalability Strategies

Table 7-2 lists strategies in order of importance that ensure scalability. This chapter contains many figures that show how these strategies are implemented.

Table 7-2 Scalability Strategies
Strategy Description
Capacity planning Running a system above 80% capacity (near performance saturation) limits the amount of future growth possible.

Understand whether your business and applications will grow. Try to anticipate future requirements for processor, memory, and I/O.

Shared, direct access to all storage The ability to scale compute and I/O performance is heavily dependent on whether all of the systems have shared, direct access to all storage.

The CI and DSSI OpenVMS Cluster illustrations that follow show many examples of shared, direct access to storage, with no MSCP overhead.

Reference: For more information about MSCP overhead, see Section 7.8.1.

Limit node count to between 3 and 16 Smaller OpenVMS Clusters are simpler to manage and tune for performance and require less OpenVMS Cluster communication overhead than do large OpenVMS Clusters. You can limit node count by upgrading to a more powerful processor and by taking advantage of OpenVMS SMP capability.

If your server is becoming a compute bottleneck because it is overloaded, consider whether your application can be split across nodes. If so, add a node; if not, add a processor (SMP).

Remove system bottlenecks To maximize the capacity of any OpenVMS Cluster function, consider the hardware and software components required to complete the function. Any component that is a bottleneck may prevent other components from achieving their full potential. Identifying bottlenecks and reducing their effects increases the capacity of an OpenVMS Cluster.
Enable the MSCP server The MSCP server enables you to add satellites to your OpenVMS Cluster so that all nodes can share access to all storage. In addition, the MSCP server provides failover for access to shared storage when an interconnect fails.
Reduce interdependencies and simplify configurations an OpenVMS Cluster system with one system disk is completely dependent on that disk for the OpenVMS Cluster to continue. If the disk, the node serving the disk, or the interconnects between nodes fail, the entire OpenVMS Cluster system may fail.
Ensure sufficient serving resources If a small disk server has to serve a large number disks to many satellites, the capacity of the entire OpenVMS Cluster is limited. Do not overload a server because it will become a bottleneck and will be unable to handle failover recovery effectively.
Configure resources and consumers close to each other Place servers (resources) and satellites (consumers) close to each other. If you need to increase the number of nodes in your OpenVMS Cluster, consider dividing it. See Section 8.2.4 for more information.
Set adequate system parameters If your OpenVMS Cluster is growing rapidly, important system parameters may be out of date. Run AUTOGEN, which automatically calculates significant system parameters and resizes page, swap, and dump files.

7.3 Scalability in CI OpenVMS Clusters

Each CI star coupler can have up to 32 nodes attached; 16 can be systems and the rest can be storage controllers and storage. Figure 7-2, Figure 7-3, and Figure 7-4 show a progression from a two-node CI OpenVMS Cluster to a seven-node CI OpenVMS Cluster.

7.3.1 Two-Node CI OpenVMS Cluster

In Figure 7-2, two nodes have shared, direct access to storage that includes a quorum disk. The VAX and Alpha systems each have their own system disks.

Figure 7-2 Two-Node CI OpenVMS Cluster




Previous | Next | Contents