Guidelines for OpenVMS Cluster Configurations
Previous
| Contents
The OpenVMS system attempts to prevent low-numbered targets from being
completely blocked by monitoring the amount of time an I/O request
takes. If the request is not completed within a certain period, the
OpenVMS system stops sending new requests until the tardy I/Os
complete. While this algorithm does not ensure that all targets get
equal access to the bus, it does prevent low-numbered targets from
being totally blocked.
A.7.5.2 Solutions for Resolving Arbitration Problems
If you find that some of your disks are not being serviced quickly
enough during periods of heavy I/O, try some or all of the following,
as appropriate for your site:
- Assign the highest ID numbers to those disks that require the
fastest response time.
- Spread disks across more SCSI buses.
- Keep disks that need to be accessed only by a single host (for
example, page and swap disks) on a nonshared SCSI bus.
Another method that might provide for more equal servicing of lower and
higher ID disks is to set the host IDs to the lowest numbers (0 and 1)
rather than the highest. When you use this method, the host cannot gain
control of the bus to send new commands as long as any disk, including
those with the lowest IDs, need the bus. Although this option is
available to improve fairness under some circumstances, Digital
considers this configuration to be less desirable in most instances,
for the following reasons:
- It can result in lower total throughput.
- It can result in timeout conditions if a command cannot be sent
within a few seconds.
- It can cause physical configuration difficulties. For example,
StorageWorks shelves such as the BA350 have no slot to hold a disk with
ID 7, but they do have a slot for a disk with ID 0. If you change the
host to ID 0, you must remove a disk from slot 0 in the BA350, but you
cannot move the disk to ID 7. If you have two hosts with IDs 0 and 1,
you cannot use slot 0 or 1 in the BA350. (Note, however, that you
can have a disk with ID 7 in a BA353.)
A.7.5.3 Arbitration and Bus Isolators
Any active device, such as a DWZZA, that connects bus segments
introduces small delays as signals pass through the device from one
segment to another. Under some circumstances, these delays can be
another cause of unfair arbitration. For example, consider the
following configuration, which could result in disk servicing problems
(starvation) under heavy work loads:
Although disk 5 has the highest ID number, there are some circumstances
under which disk 5 has the lowest access to the bus. This can occur
after one of the lower-numbered disks has gained control of the bus and
then completed the operation for which control of the bus was needed.
At this point, disk 5 does not recognize that the bus is free and might
wait before trying to arbitrate for control of the bus. As a result,
one of the lower-numbered disks, having become aware of the free bus
and then submitting a request for the bus, will gain control of the bus.
If you see this type of problem, the following suggestions can help you
reduce its severity:
- Try to place all disks on the same bus segment.
- If placing all disks on the same bus segment is not possible (for
example if you have both some RZ28 disks by themselves and an HSZ40),
try to use a configuration that has only one isolator between any pair
of disks.
- If your configuration requires two isolators between a pair of
disks (for example, to meet distance requirements), try to balance the
number of disks on each bus segment.
- Follow the suggestions in Section A.7.5.2 to reduce the total traffic
on the logical bus.
A.7.6 Removal and Insertion of SCSI Devices While the OpenVMS Cluster System is Operating
With proper procedures, certain SCSI devices can be removed from or
inserted onto an active SCSI bus without disrupting the ongoing
operation of the bus. This capability is referred to as hot
plugging. Hot plugging can allow a suitably configured OpenVMS
Cluster system to continue to run while a failed component is replaced.
Without hot plugging, it is necessary to make the SCSI bus inactive and
remove power from all the devices on the SCSI bus before any device is
removed from it or inserted onto it.
In a SCSI OpenVMS Cluster system, hot plugging requires that all
devices on the bus have certain electrical characteristics and be
configured appropriately on the SCSI bus. Successful hot plugging also
depends on strict adherence to the procedures described in this
section. These procedures ensure that the hot-plugged device is
inactive and that active bus signals are not disturbed.
Hot Plugging for SCSI Buses Behind a Storage Controller
This section describes hot-plugging procedures for devices that are on
the same SCSI bus as the host that is running OpenVMS. The procedures
are different for SCSI buses that are behind a storage controller, such
as the HSZ40. Refer to the storage controller documentation for the
procedures to hot plug devices that they control.
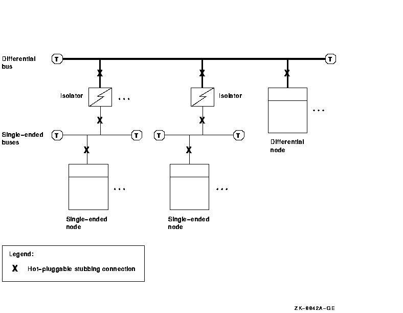
A.7.6.1 Terminology for Describing Hot Plugging
The terms shown in bold in this section are used in the discussion of
hot plugging rules and procedures.
- A SCSI bus segment consists of two terminators, the
electrical path forming continuity between them, and possibly, some
attached stubs. Bus segments can be connected together by bus isolators
(for example, DWZZA), to form a logical SCSI bus or just a
SCSI bus.
- There are two types of connections on a segment: bussing
connections, which break the path between two terminators, and
stubbing connections, which disconnect all or part of a stub.
- A device is active on the SCSI bus when it is asserting
one or more of the bus signals. A device is inactive when it
is not asserting any bus signals.
The segment attached to a bus
isolator is inactive when all devices on that segment, except possibly
the bus isolator, are inactive.
- A port on a bus isolator has proper termination when it
is attached to a segment that is terminated at both ends and has
TERMPWR in compliance with SCSI--2 requirements.
A.7.6.2 Rules for Hot Plugging
Follow these rules when planning for and performing hot plugging:
A.7.6.3 Procedures for Ensuring That a Device or Segment is Inactive
Use the following procedures to ensure that a device or a segment is
inactive:
- To ensure that a disk is inactive:
- Dismount the disk on all members of the OpenVMS Cluster system.
- Ensure that any I/O that can occur to a dismounted disk is
stopped, for example:
- Disable the disk as a quorum disk.
- Allocate the disk (using the DCL command ALLOCATE) to block further
mount or initialization attempts.
- Disable console polling by all halted hosts on the logical SCSI bus
(by setting the console variable SCSI_POLL to OFF and entering the INIT
command).
- Ensure that no host on the logical SCSI bus is executing power-up
or initialization self-tests, booting, or configuring the SCSI bus
(using SYSMAN IO commands).
To ensure that an HSZ40 controller is inactive:
- Dismount all of the HSZ40 virtual disks on all members of the
OpenVMS Cluster system.
- Shut down the controller, following the procedures in the HS
Family of Array Controllers User's Guide.
- Power down the HSZ40 (optional).
To ensure that a host adapter is inactive:
- Halt the system.
- Power down the system, or set the console variable SCSI_POLL to
OFF and then enter the INIT command on the halted system. This ensures
that the system will not poll or respond to polls.
To ensure that a segment is inactive, follow the preceding
procedures for every device on the segment.
A.7.6.4 Procedure for Hot Plugging StorageWorks SBB Disks
To remove an SBB disk from an active SCSI bus, use the following
procedure:
- Use an ESD grounding strap that is attached either to a grounding
stud or to unpainted metal on one of the cabinets in the system. Refer
to the system installation procedures for guidance.
- Follow the procedure in Section A.7.6.3 to make the disk inactive.
- Squeeze the clips on the side of the SBB, and slide the disk out of
the StorageWorks shelf.
To plug an SBB disk into an active SCSI bus, use the following
procedure:
- Use an ESD grounding strap that is attached either to a grounding
stud or to unpainted metal on one of the cabinets in the system. Refer
to the system installation procedures for guidance.
- Ensure that the SCSI ID associated with the device (either by
jumpers or by the slot in the StorageWorks shelf) conforms to the
following:
- The SCSI ID is unique for the logical SCSI bus.
- The SCSI ID is already configured as a DK device on all of the
following:
- Any member of the OpenVMS Cluster system that already has that ID
configured
- Any OpenVMS processor on the same SCSI bus that is running the
MSCP server
- Slide the SBB into the StorageWorks shelf.
- Configure the disk on OpenVMS Cluster members, if required, using
SYSMAN IO commands.
A.7.6.5 Procedure for Hot Plugging HSZ40s
To remove an HSZ40 controller from an active SCSI bus:
- Use an ESD grounding strap that is attached either to a grounding
stud or to unpainted metal on one of the cabinets in the system. Refer
to the system installation procedures for guidance.
- Follow the procedure in Section A.7.6.3 to make the HSZ40 inactive.
- The HSZ40 can be powered down, but it must remain plugged in to the
power distribution system to maintain grounding.
- Unscrew and remove the differential triconnector from the HSZ40.
- Protect all exposed connector pins from ESD and from contacting any
electrical conductor while they are disconnected.
To plug an HSZ40 controller into an active SCSI bus:
- Use an ESD grounding strap that is attached either to a grounding
stud or to unpainted metal on one of the cabinets in the system. Refer
to the system installation procedures for guidance. Also, ensure that
the ground offset voltages between the HSZ40 and all components that
will be attached to it are within the limits specified in Section A.7.8.
- Protect all exposed connector pins from ESD and from contacting any
electrical conductor while they are disconnected.
- Power up the HSZ40 and ensure that the disk units associated with
the HSZ40 conform to the following:
- The disk units are unique for the logical SCSI bus.
- The disk units are already configured as DK devices on the
following:
- Any member of the OpenVMS Cluster system that already has that ID
configured
- Any OpenVMS processor on the same SCSI bus that is running the MSCP
server
- Ensure that the HSZ40 will make a legal stubbing connection to the
active segment. (The connection is legal when the triconnector is
attached directly to the HSZ40 controller module, with no intervening
cable.)
- Attach the differential triconnector to the HSZ40, using care to
ensure that it is properly aligned. Tighten the screws.
- Configure the HSZ40 virtual disks on OpenVMS Cluster members, as
required, using SYSMAN IO commands.
A.7.6.6 Procedure for Hot Plugging Host Adapters
To remove a host adapter from an active SCSI bus:
- Use an ESD grounding strap that is attached either to a grounding
stud or to unpainted metal on one of the cabinets in the system. Refer
to the system installation procedures for guidance.
- Verify that the connection to be broken is a stubbing connection.
If it is not, then do not perform the hot plugging procedure.
- Follow the procedure in Section A.7.6.3 to make the host adapter
inactive.
- The system can be powered down, but it must remain plugged in to
the power distribution system to maintain grounding.
- Remove the "Y" cable from the host adapter's single-ended
connector.
- Protect all exposed connector pins from ESD and from contacting any
electrical conductor while they are disconnected.
- Do not unplug the adapter from the host's internal bus
while the host remains powered up.
At this point, the adapter has
disconnected from the SCSI bus. To remove the adapter from the host,
first power down the host, then remove the adapter from the host's
internal bus.
To plug a host adapter into an active SCSI bus:
- Use an ESD grounding strap that is attached either to a grounding
stud or to unpainted metal on one of the cabinets in the system. Refer
to the system installation procedures for guidance. Also, ensure that
the ground offset voltages between the host and all components that
will be attached to it are within the limits specified in Section A.7.8.
- Protect all exposed connector pins from ESD and from contacting any
electrical conductor while they are disconnected.
- Ensure that the host adapter will make a legal stubbing connection
to the active segment (the stub length must be within allowed limits,
and the host adapter must not provide termination to the active
segment).
- Plug the adapter into the host (if it is unplugged).
- Plug the system into the power distribution system to ensure proper
grounding. Power up, if desired.
- Attach the "Y" cable to the host adapter, using care to
ensure that it is properly aligned.
A.7.6.7 Procedure for Hot Plugging DWZZAs
Use the following procedure to remove a DWZZA from an active SCSI bus:
- Use an ESD grounding strap that is attached either to a grounding
stud or to unpainted metal on one of the cabinets in the system. Refer
to the system installation procedures for guidance.
- Verify that the connection to be broken is a stubbing connection.
If it is not, then do not perform the hot plugging procedure.
- Do not power down the DWZZA. This can disrupt the operation of the
attached SCSI bus segments.
- Determine which SCSI bus segment will remain active after the
disconnection. Follow the procedure in Section A.7.6.3 to make the other
segment inactive.
When the DWZZA is removed from the active
segment, the inactive segment must remain inactive until the DWZZA is
also removed from the inactive segment, or until proper termination is
restored to the DWZZA port that was disconnected from the active
segment.
- The next step depends on the type of DWZZA and the segment that is
being hot plugged, as follows:
| DWZZA Type |
Condition |
Action |
|
DWZZA-VA
|
Single-ended segment will remain active.
|
Squeeze the clips on the side of the SBB, and slide the DWZZA-VA out of
the StorageWorks shelf.
|
|
DWZZA-VA
|
Differential segment will remain active.
|
Unscrew and remove the differential triconnector from the DWZZA-VA.
|
|
DWZZA-AA
|
Single-ended segment will remain active.
|
Remove the "Y" cable from the DWZZA-AA's single-ended
connector.
|
|
DWZZA-AA
|
Differential segment will remain active.
|
Unscrew and remove the differential triconnector from the DWZZA-AA.
|
- Protect all exposed connector pins from ESD and from contacting any
electrical conductor while they are disconnected.
To plug a DWZZA into an active SCSI bus:
- Use an ESD grounding strap that is attached either to a grounding
stud or to unpainted metal on one of the cabinets in the system. Refer
to the system installation procedures for guidance. Also, ensure that
the ground offset voltages between the DWZZA-AA and all components that
will be attached to it are within the limits specified in Section A.7.8.
- Protect all exposed connector pins from ESD and from contacting any
electrical conductor while they are disconnected.
- Ensure that the DWZZA will make a legal stubbing connection to the
active segment (the stub length must be within allowed limits, and the
DWZZA must not provide termination to the active segment).
- The DWZZA must be powered up. The SCSI segment that is being added
must be attached and properly terminated. All devices on this segment
must be inactive.
- The next step depends on the type of DWZZA, and which segment is
being hot plugged, as follows:
| DWZZA Type |
Condition |
Action |
|
DWZZA-VA
|
Single-ended segment is being hot plugged.
|
Slide the DWZZA-VA into the StorageWorks shelf.
|
|
DWZZA-VA
|
Differential segment is being hot plugged.
|
Attach the differential triconnector to the DWZZA-VA, using care to
ensure that it is properly aligned. Tighten the screws.
|
|
DWZZA-AA
|
Single-ended segment is being hot plugged.
|
Attach the "Y" cable to the DWZZA-AA, using care to ensure
that it is properly aligned.
|
|
DWZZA-AA
|
Differential segment is being hot plugged.
|
Attach the differential triconnector to the DWZZA-VA, using care to
ensure that it is properly aligned. Tighten the screws.
|
- If the newly attached segment has storage devices on it, then
configure them on OpenVMS Cluster members, if required, using SYSMAN IO
commands.
A.7.7 OpenVMS Requirements for Devices Used on Multihost SCSI OpenVMS Cluster Systems
At this time, the only devices approved for use on multihost SCSI
OpenVMS Cluster systems are those listed in Table A-2. While not
specifically approved for use, other disk devices might be used in a
multihost OpenVMS Cluster system when they conform to the following
requirements:
- Support for concurrent multi-initiator I/O.
- Proper management for the following states or conditions on a
per-initiator basis:
- Synchronous negotiated state and speed
- Width negotiated state
- Contingent Allegiance and Unit Attention conditions
- Tagged command queuing. This is needed to provide an ordering
guarantee used in OpenVMS Cluster systems to ensure that I/O has been
flushed. The drive must implement queuing that complies with Section
7.8.2 of the SCSI--2 standard, which says (in part):
- "...All commands received with a simple queue tag message
prior to a command received with an ordered queue tag message,
regardless of initiator, shall be executed before that command
with the ordered queue tag message." (Emphasis added.)
- Support for command disconnect.
- A reselection timeout procedure compliant with Option b of Section
6.1.4.2 of the SCSI--2 standard. Furthermore, the device shall
implement a reselection retry algorithm that limits the amount of bus
time spent attempting to reselect a nonresponsive initiator.
- Automatic read reallocation enabled (ARRE) and automatic write
reallocation enabled (AWRE) (that is, drive-based bad block
revectoring) to prevent multiple hosts from unnecessarily revectoring
the same block. To avoid data corruption, it is essential that the
drive comply with Section 9.3.3.6 of the SCSI--2 Standard, which says
(in part):
- "...The automatic reallocation shall then be performed only if
the target successfully recovers the data." (Emphasis
added.)
- Storage devices should not supply TERMPWR. If they do, then it is
necessary to apply configuration rules to ensure that there are no more
than four sources of TERMPWR on a segment.
Finally, if the device or any other device on the same segment will be
hot plugged, then the device must meet the electrical requirements
described in Section A.7.6.2.
A.7.8 Grounding Requirements
This section describes the grounding requirements for electrical
systems in a SCSI OpenVMS Cluster system.
Improper grounding can result in voltage differentials, called ground
offset voltages, between the enclosures in the configuration. Even
small ground offset voltages across the SCSI interconnect (as shown in
step 3 of Table A-9) can disrupt the configuration and cause system
performance degradation or data corruption.
Table A-9 describes important considerations to ensure proper
grounding.
Table A-9 Steps for Ensuring Proper Grounding
| Step |
Description |
|
1
|
Ensure that site power distribution meets all local electrical codes.
|
|
2
|
Inspect the entire site power distribution system to ensure that:
- All outlets have power ground connections.
- A grounding prong is present on all computer equipment power cables.
- Power-outlet neutral connections are not actual ground connections.
- All grounds for the power outlets are connected to the same power
distribution panel.
- All devices that are connected to the same circuit breaker as the
computer equipment are UL® or IEC approved.
|
|
3
|
If you have difficulty verifying these conditions, you can use a
hand-held multimeter to measure the ground offset voltage between any
two cabinets. To measure the voltage, connect the multimeter leads to
unpainted metal on each enclosure. Then determine whether the voltage
exceeds the following allowable ground offset limits:
- Single-ended signaling: 50 millivolts (maximum allowable offset)
- Differential signaling: 800 millivolts (maximum allowable offset)
The multimeter method provides data for only the moment it is
measured. The ground offset values may change over time as additional
devices are activated or plugged into the same power source. To ensure
that the ground offsets remain within acceptable limits over time,
Digital recommends that you have a power survey performed by a
qualified electrician.
|
|
4
|
If you are uncertain about the grounding situation or if the measured
offset exceeds the allowed limit, Digital recommends that a qualified
electrician correct the problem. It may be necessary to install
grounding cables between enclosures to reduce the measured offset.
|
|
5
|
If an unacceptable offset voltage was measured and a ground cable was
installed, then measure the voltage again to ensure it is less than the
allowed limits. If not, an electrician must determine the source of the
ground offset voltage and reduce or eliminate it.
|
Note
¹ Referring to this draft standard is
necessary because the SCSI--2 standard does not adequately specify the
requirements for hot plugging.
² OpenVMS will eventually detect a hung bus
and reset it, but this problem may first temporarily disrupt OpenVMS
Cluster operations.
Previous
| Next
| Contents
| [Home]
| [Comments]
| [Ordering info]
| [Help]
6318P012.HTM
OSSG Documentation
26-NOV-1996 11:20:31.15
Copyright © Digital Equipment Corporation 1996. All Rights Reserved.
Legal