Sun Microsystems, Inc.
spacer spacer
spacer   Sun System Handbook Home | Systems | Components | General Info | Search | Feedback 
spacer
black dot
 
black fade
 

Sun Enterprise[tm] 6500 Server - System Breakdown

E6500 Home Page
Service Views
Front
Front Open
Rear
Components
Full Components List
Backplanes
Boot PROM
Communication
CPU Module
Disks
Ethernet
Fibre Channel
Graphics
IDPROM
I/O Board
Input Devices
Memory
Miscellaneous
Power
Removable Media
SCSI
System Board
System Breakdown
Exploded View
Wiring Diagrams
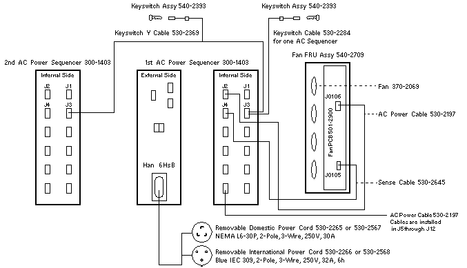
Wiring Diagram
Main System


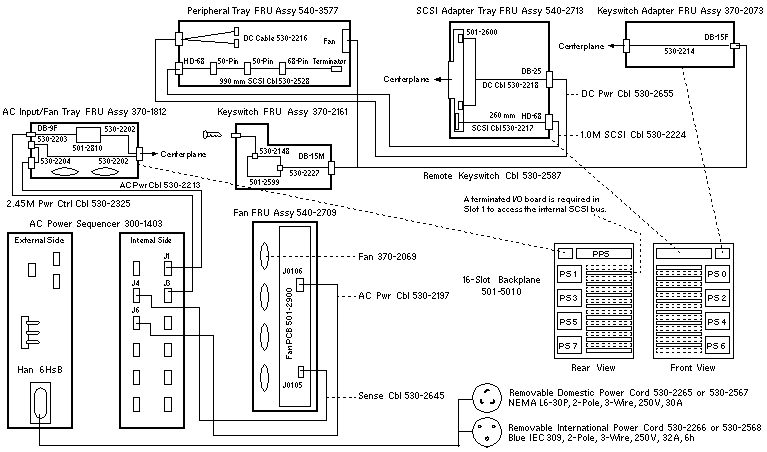
Wiring Diagram
68-inch Data Center Cabinet

WebToneWebToneWebToneWebTone
 Copyright 1994-2003 Sun Microsystems, Inc.,  901 San Antonio Road, Palo Alto, CA 94303 USA.  All rights reserved.
 Legal Terms Privacy Policy Feedback