Sun Microsystems, Inc.
spacer spacer
spacer   Sun System Handbook Home | Systems | Components | General Info | Search | Feedback 
spacer
black dot
 
black fade
 

Volume I: Communication

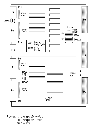
Multiprotocol Communication Processor

Sun-3/110/140/150/160/180/260/280/460/470/480
Sun-4/110/150/260/280/310/330/350/360/370/380
Sun-4/390/470/490
SS630MP / SS670MP / SS690MP
501-1221

Jumper and Switch Settings

WebToneWebToneWebToneWebTone
 Copyright 1994-2003 Sun Microsystems, Inc.,  901 San Antonio Road, Palo Alto, CA 94303 USA.  All rights reserved.
 Legal Terms Privacy Policy Feedback