Sun Microsystems, Inc.
spacer spacer
spacer   Sun System Handbook Home | Systems | Components | General Info | Search | Feedback 
spacer
black dot
 
black fade
 

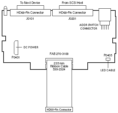
SCSI Adapter

Codename: Togo Tall

SPARCstorage FlexiPack / StorEdge FlexiPack

501-4327
Wide SCSI

Notes

  1. The SCSI bus length on the SCSI Adapter is approximately 170 mm.
  2. The ribbon cable is soldered to the printed circuit board.
  3. Adapter 501-4327 supports two Wide SCSI devices.
  4. Narrow 50-Pin devices require HD68-Pin to 50-Pin Adapter 370-2819.
  5. The SPARCstorage FlexiPack does not require external termination.
  6. The Upper LED indicates termination of SCSI Data Bits D15 - D8.
  7. The Lower LED indicates termination of SCSI Data Bits D7 - D0.

Reference

SPARCstorage FlexiPack Installation Manual, 802-7737.



SCSI Adapter

Codename: Togo Tall

SPARCstorage FlexiPack / StorEdge FlexiPack

501-4356
Narrow SCSI

Notes

  1. The SCSI bus length on the SCSI Adapter is approximately 170 mm.
  2. The ribbon cable is soldered to the printed circuit board.
  3. Adapter 501-4356 supports one Narrow SCSI device.
  4. The SPARCstorage FlexiPack does not require external termination.
  5. The Upper LED indicates termination of SCSI Data Bits D15 - D8.
  6. The Lower LED indicates termination of SCSI Data Bits D7 - D0.

Reference

SPARCstorage FlexiPack Installation Manual, 802-7737.



SCSI Adapter

Codename: Togo Tall

SPARCstorage FlexiPack / StorEdge FlexiPack

501-4357
Wide SCSI

Notes

  1. The SCSI bus length on the SCSI Adapter is approx. 170 mm.
  2. The ribbon cable is soldered to the printed circuit board.
  3. Adapter 501-4357 supports one Wide SCSI device.
  4. The SPARCstorage FlexiPack does not require external termination.
  5. The Upper LED indicates termination of SCSI Data Bits D15 - D8.
  6. The Lower LED indicates termination of SCSI Data Bits D7 - D0.

Reference

SPARCstorage FlexiPack Installation Manual, 802-7737.

WebToneWebToneWebToneWebTone
 Copyright 1994-2003 Sun Microsystems, Inc.,  901 San Antonio Road, Palo Alto, CA 94303 USA.  All rights reserved.
 Legal Terms Privacy Policy Feedback